首页 >> 产品中心 >> MJ型油缸——工程型油缸

MJ型油缸——工程型油缸

    ▲型号注释:
     
     
    ▲适应密封材质的工作油、油温:
    工作油种类|序号|密封材质
    丁晴橡胶
    氨基甲酸乙脂橡胶
    氟橡胶
    油温
    1
    2
    3
    -5℃- +80℃
    一般矿物性工作油
    水乙二醇工作油
    *
    W/O乳化液工作油
    *
    O/W乳化液工作油
    *
    磷酸脂性工作油
    *
    *
    注:当用△的情况下请商谈。
     
    ▲安装型式:
    LB型、FA型、FB型是根据JISB8354-1985额定压力7MPa 其它型式额定压力表14MPa
    LA型
    切向脚架式
    ※LB型
    轴向脚架式
    FA型
    FY型
    杆侧长方法兰式
    ※FB型
    FZ型
    底步长方法兰式
    CA型
    底步单耳环式
    TA型
    杆侧铰轴式
    TC型
    中间铰轴式
    [NextPage]
    ▲缓冲型式:
    N:无缓冲装置 H:无活塞杆端缓冲 R:有活塞杆端缓冲 B:两端缓冲
    注:调节缓冲压力时,应尽可能的降低压力
     
    ▲油缸内径(mm):
    30、40、50、63、80、100、125、140、150、160、180、200、224、250
     
    ▲活塞杆径(mm):
    B、C根据JIS B8354
     
    ▲压力性能:
    项目|压力
    7MPa
    14MPa
    无活塞杆侧
    有活塞杆侧
    无活塞杆侧
    有活塞杆侧
    1、工作压力:油缸用在液压回路中溢流阀社顶的最高值。
    2、最高允许压力:油缸内产生的压力允许的最高值。
    3、保证油缸起动的最低压力。
    B
    C
    BC
    工作压力
    7
    14
    最大允许压力
    9
    13.5
    11
    18
    18
    14
    耐压力
    10.5
    14.2
    11.5
    21
    21
    21
    最低起动压力
    0.3
    0.45
    0.4
    0.56
    0.8
    0.7
     
    ▲最大行程:
    内径
    30-50
    63-80
    100-250
    1、活塞杆的桥度请另行考虑。
    2、超最大行程按非标准产品制造。
    最大行程
    1,200
    1,600
    2,000
     
    ▲根据行程确定缸盖的固定型式:
    压力|内径
    30-50
    63-80
    100-160
    180-250
    7MPa
    1,200
    1,600
    2,000
    1,500
    1,501-2,000
    14MPa
    1,200
    1,600
    2,000
    800
    801-2,000
    缸盖的固定型式
    螺栓连接式
    法兰连接式
     
    ▲油缸速度:
    油缸内径(mm)
    活塞速度mm/sec
    备注
    30-63
    8-400
    由负荷的惯性产生的内压、油流换向时产生的冲声压力、回路设定压力等核算值、在最高允许压力范围内。
    80-125
    8-300
    140-250
    8-200
     
    ▲油口、缓冲调节装置及排气阀的位置:
    标准位置按外型尺寸图、油口(A)、缓冲调节装置及排气阀(B)位置变更时,请按外型尺寸图所表示的代号位置(C)或(D)选定。
     
    ▲行程允差:
    行程
    允差
    行程
    允差
    100以下
    +0.8
    0
    630-1000
    +1.4
    0
    100-250
    +1.0
    0
    1,000-1,600
    +1.6
    0
    250-630
    +1.25
    0
    1,600-2,000
    +1.8
    0
    [NextPage]
    ▲带防尘罩:
    作为标准化产品制造
     
    ▲单耳环:
    请另行通知我方。
     
    ▲法兰式尺寸表:
    φ180-φ250的法兰式,FA、FY、FB、FZ型尺寸按下表规定,其它同螺栓连接式的尺寸相同。
     
    ▲FA、FY型:
     
    代号 | 内径
    180
    200
    180
    250
    W
    37
    36
    40
    45
    F(FF)
    51
    56
    61
    66
    [NextPage]
    ▲FB、FZ型:
     
    代号 | 内径
    180
    200
    224
    250
    ZC(ZG)
    521
    562
    606
    672
    F(FF)
    51
    56
    61
    66
     
    ▲CA型:

    φ180-φ250的法兰式,FA、FY、FB、FZ型尺寸按下表规定,其它同螺栓连接式的尺寸相同。

    代号 | 内径
    180
    200
    224
    250
    LN
    115
    103
    141
    135
    BB
    27
    29
    34
    37
    RR
    182
    200
    225
    250
    DD
    M30*1.5
    M33*1.5
    M39*1.5
    M42*1.5
    [NextPage]
    ▲单耳环:
     
    前端单耳环尺寸表
    代号|内径
    30
    40
    50
    63
    80
    100
    125
    140
    150
    160
    共用
    IA
    25+0.1-0.4
    25+0.1-0.4
    31.5+0.1-0.4
    40+0.1-0.4
    40+0.1-0.4
    50+0.1-0.4
    63+0.1-0.4
    80+0.1-0.4
    80+0.1-0.4
    80+0.1-0.4
    IC
    50
    55
    65
    92
    107
    135
    168
    210
    215
    230
    ID
    20
    20
    25
    40
    40
    50
    63
    80
    80
    90
    IE
    16
    16
    20
    31.5
    31.5
    40
    50
    63
    63
    71
    IF
    35
    35
    45
    65
    65
    85
    105
    130
    130
    150
    IG
    25
    25
    32
    40
    40
    55
    68
    85
    85
    95
    L
    15
    15
    15
    15
    15
    20
    20
    20
    20
    20
    M
    M8
    M8
    M8
    M8
    M8
    M8
    M10
    M10
    M10
    M10
    活塞杆径
    B系列
    IB
    27
    32
    37
    47
    62
    78
    98
    113
    118
    123
    K
    M16*1.5
    M20*1.5
    M24*1.5
    M30*1.5
    M39*1.5
    M48*1.5
    M64*2
    M72*2
    M76*2
    M80*2
    C系列
    IB
    -
    27
    32
    37
    47
    62
    78
    83
    88
    -
    K
    -
    M16*1.5
    M20*1.5
    M24*1.5
    M30*1.5
    M39*1.5
    M48*1.5
    M56*1.5
    M60*1.5
    -
    [NextPage]
    ▲带销双耳环:
     
    前销双耳环尺寸表
    代号|内径
    30
    40
    50
    63
    80
    100
    125
    140
    150
    160
    共用
    YA
    25+0.1-0.4
    25+0.1-0.4
    31.5+0.1-0.4
    40+0.1-0.4
    40+0.1-0.4
    50+0.1-0.4
    63+0.1-0.4
    80+0.1-0.4
    80+0.1-0.4
    80+0.1-0.4
    YC
    50
    55
    65
    92
    107
    135
    168
    210
    215
    230
    YD
    20
    20
    25
    40
    40
    50
    63
    80
    80
    90
    YE
    16
    16
    20
    31.5
    31.5
    40
    50
    63
    63
    71
    YF
    12.5
    12.5
    16
    20
    20
    25
    31.5
    40
    40
    40
    YG
    66
    66
    80
    101
    101
    126
    153
    192
    192
    192
    L
    15
    15
    15
    15
    15
    20
    20
    20
    20
    20
    M
    M8
    M8
    M8
    M8
    M8
    M8
    M10
    M10
    M10
    M10
    活塞杆径
    B系列
    YB
    27
    32
    37
    47
    62
    78
    98
    113
    118
    123
    K
    M16*1.5
    M20*1.5
    M24*1.5
    M30*1.5
    M39*1.5
    M48*1.5
    M64*2
    M72*2
    M76*2
    M80*2
    C系列
    YB
    -
    27
    32
    37
    47
    62
    78
    83
    88
    -
    K
    -
    M16*1.5
    M20*1.5
    M24*1.5
    M30*1.5
    M39*1.5
    M48*1.5
    M56*1.5
    M60*1.5
    -
     
    ▲法兰式尺寸表:
     
    螺母尺寸表
    代号|活塞杆侧
    18
    22.4
    28
    35.5
    45
    56
    63
    67
    71
    80
    85
    90
    a
    M16*1.5
    M20*1.5
    M24*1.5
    M30*1.5
    M39*1.5
    M48*1.5
    M56*2
    M60*2
    M64*2
    M72*2
    M76*2
    M80*2
    b
    24
    30
    36
    46
    60
    75
    85
    90
    95
    105
    110
    115
    c
    27.7
    34.6
    41.6
    53.1
    69.3
    86.5
    98.1
    104
    110
    121
    127
    133
    H
    10
    12
    14
    23
    23
    29
    34
    36
    38
    42
    46
    48
    [NextPage]
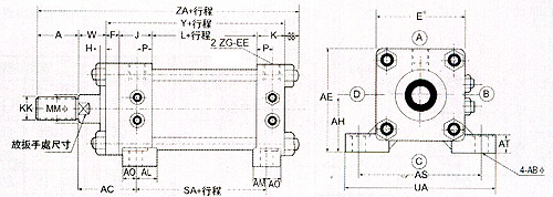
    ▲外型尺寸图 7.14MPa:
     
     
    ▲双活塞杆型(φ40-φ160)φ40-C除外:
     
     
    ▲带销双耳环:
    代号│内径
    30
    40
    50
    63
    80
    100
    125
    140
    150
    160
    180
    200
    224
    250
    共通
    活塞杆径
    B型
    A
    25
    30
    35
    45
    60
    75
    95
    110
    115
    120
    140
    150
    180
    195
    D
    36
    40
    46
    55
    65
    80
    95
    105
    110
    115
    125
    140
    150
    170
    H
    10
    10
    10
    10
    10
    10
    10
    10
    10
    10
    10
    10
    10
    10
    KK
    M16×1.5
    M20×1.5
    M24×1.5
    M30×1.5
    M39×1.5
    M48×1.5
    M64×2
    M72×2
    M76×2
    M80×2
    M95×2
    M100×2
    M120×2
    M130×2
    MM
    18
    22.4
    28
    35.5
    45
    56
    71
    80
    85
    90
    100
    112
    125
    140
    C型
    A
    -
    25
    30
    35
    45
    60
    75
    80
    85
    -
    -
    -
    -
    -
    D
    -
    36
    40
    46
    55
    65
    80
    85
    90
    -
    -
    -
    -
    -
    H
    -
    10
    10
    10
    10
    10
    10
    10
    10
    -
    -
    -
    -
    -
    KK
    -
    M16×1.5
    M20×1.5
    M24×1.5
    M30×1.5
    M39×1.5
    M48×1.5
    M56×2
    M60×2
    -
    -
    -
    -
    -
    MM
    -
    18
    22.4
    28
    35.5
    45
    56
    63
    67
    -
    -
    -
    -
    -
    BB
    10
    11
    11
    13
    16
    18
    21
    22
    25
    25
    27
    29
    34
    37
    E
    55
    65
    75
    90
    110
    135
    165
    185
    196
    210
    235
    262
    292
    325
    EE(ZG)
    3/8
    3/8
    1/2
    1/2
    3/4
    3/4
    1
    1
    1
    1
    1 1/4
    1 1/2
    1 1/2
    2
    F
    11
    11
    13
    15
    18
    20
    24
    26
    28
    31
    33
    37
    41
    46
    J
    42
    42
    46
    48
    58
    58
    68
    68
    68
    69
    85
    95
    95
    115
    K
    28
    28
    32
    32
    38
    38
    48
    48
    48
    49
    71
    79
    79
    95
    L
    60
    60
    64
    68
    70
    76
    80
    88
    96
    104
    86
    90
    90
    90
    P
    15
    15
    17
    17
    20
    20
    25
    25
    25
    26
    43
    47
    47
    55
    W
    30
    30
    30
    35
    35
    40
    45
    50
    50
    55
    55
    55
    60
    65
    Y
    141
    141
    155
    163
    184
    192
    220
    230
    240
    253
    275
    301
    305
    346
    放扳手处尺寸(B型)
    14
    19
    24
    30
    41
    50
    65
    75
    80
    85
    95
    105
    115
    130
    LA型
    AB
    11
    11
    14
    18
    18
    22
    26
    26
    30
    33
    33
    36
    42
    45
    AC
    57
    57
    60
    71
    74
    85
    99
    106
    111
    122
    123
    131
    140
    158
    AE
    62.5
    70
    82.5
    95
    115
    138.5
    67.5
    187.5
    204
    217
    242.5
    271
    296
    332.5
    AH

    ±0.15 35

    ±0.15 37.5
    ±0.15 45
    ±0.15 50
    ±0.15 60
    ±0.25 71
    ±0.25 85
    ±0.25 95
    ±0.25 106
    ±0.25 112
    ±0.25 125
    ±0.25 140
    ±0.25 150
    ±0.25 170
    AL
    31
    31
    34
    32
    42
    38
    41
    41
    38
    40
    50
    56
    56
    68
    AM
    31
    31
    34
    32
    42
    38
    41
    41
    38
    40
    56
    40
    40
    48
    AO
    13
    13
    14
    18
    18
    22
    25
    25
    28
    31
    35
    39
    39
    47
    AS
    88
    95
    115
    132
    155
    190
    224
    250
    270
    285
    315
    355
    395
    425
    AT
    14
    14
    17
    19
    25
    27
    32
    35
    37
    42
    47
    52
    52
    57
    SA
    98
    98
    108
    106
    124
    122
    136
    144
    146
    150
    172
    186
    186
    206
    SC
    -
    112
    122
    122
    144
    142
    156
    164
    166
    170
    -
    -
    -
    -
    UA
    109
    118
    145
    165
    190
    230
    272
    300
    320
    345
    375
    425
    475
    515
    ZA
    B型
    206
    212
    231
    256
    295
    325
    381
    412
    430
    453
    497
    535
    579
    643
    C型
    -
    207
    226
    246
    280
    310
    361
    382
    400
    -
    -
    -
    -
    -
    缓动行程
    -
    20
    25
    30
    35
    [NextPage]
    ▲外型尺寸图 7MPa:
     
     
    ▲双活塞杆型(φ40-φ160)φ40-C除外:
     
     
    ▲带销双耳环:
    代号│内径
    30
    40
    50
    63
    80
    100
    125
    140
    150
    160
    180
    200
    224
    250
    共通
    活塞杆径
    B型
    A
    25
    30
    35
    45
    60
    75
    95
    110
    115
    120
    140
    150
    180
    195
    D
    36
    40
    46
    55
    65
    80
    95
    105
    110
    115
    125
    140
    150
    170
    H
    10
    10
    10
    10
    10
    10
    10
    10
    10
    10
    10
    10
    10
    10
    KK
    M16×1.5
    M20×1.5
    M24×1.5
    M30×1.5
    M39×1.5
    M48×1.5
    M64×2
    M72×2
    M76×2
    M80×2
    M95×2
    M100×2
    M120×2
    M130×2
    MM
    18
    22.4
    28
    35.5
    45
    56
    71
    80
    85
    90
    100
    112
    125
    140
    C型
    A
    -
    25
    30
    35
    45
    60
    75
    80
    85
    -
    -
    -
    -
    -
    D
    -
    36
    40
    46
    55
    65
    80
    85
    90
    -
    -
    -
    -
    -
    H
    -
    10
    10
    10
    10
    10
    10
    10
    10
    -
    -
    -
    -
    -
    KK
    -
    M16×1.5
    M20×1.5
    M24×1.5
    M30×1.5
    M39×1.5
    M48×1.5
    M56×2
    M60×2
    -
    -
    -
    -
    -
    MM
    -
    18
    22.4
    28
    35.5
    45
    56
    63
    67
    -
    -
    -
    -
    -
    BB
    10
    11
    11
    13
    16
    18
    21
    22
    25
    25
    27
    29
    34
    37
    E
    55
    65
    75
    90
    110
    135
    165
    185
    196
    210
    235
    262
    292
    325
    EE(ZG)
    3/8
    3/8
    1/2
    1/2
    3/4
    3/4
    1
    1
    1
    1
    1 1/4
    1 1/2
    1 1/2
    2
    F
    11
    11
    13
    15
    18
    20
    24
    26
    28
    31
    33
    37
    41
    46
    J
    42
    42
    46
    48
    58
    58
    68
    68
    68
    69
    85
    95
    95
    115
    K
    28
    28
    32
    32
    38
    38
    48
    48
    48
    49
    71
    79
    79
    95
    L
    60
    60
    64
    68
    70
    76
    80
    88
    96
    104
    86
    90
    90
    90
    P
    15
    15
    17
    17
    20
    20
    25
    25
    25
    26
    43
    47
    47
    55
    W
    30
    30
    30
    35
    35
    40
    45
    50
    50
    55
    55
    55
    60
    65
    Y
    141
    141
    155
    163
    184
    192
    220
    230
    240
    253
    275
    301
    305
    346
    放扳手处尺寸(B型)
    14
    19
    24
    30
    41
    50
    65
    75
    80
    85
    95
    105
    115
    130
    LB型
    AB
    11
    11
    14
    18
    18
    22
    26
    26
    30
    33
    33
    36
    42
    45
    BE
    67.5
    75.5
    87.5
    105
    127
    152.5
    187.5
    207.5
    221
    237
    265.5
    296
    331
    370.5
    BH

    ±0.15 40

    ±0.15 43
    ±0.15 50
    ±0.15 60
    ±0.15 72
    ±0.25 85
    ±0.25 105
    ±0.25 115
    ±0.25 123
    ±0.25 132
    ±0.25 148
    ±0.25 165
    ±0.25 185
    ±0.25 208
    BL
    32
    32
    35
    42
    50
    55
    66
    70
    75
    75
    85
    98
    115
    130
    BO
    13

    13

    15
    18
    20
    23
    29
    30
    30
    35
    40
    40
    45
    50
    BT
    8
    8
    8
    10
    12
    12
    15
    18
    18
    18
    20
    25
    30
    35
    R
    40
    46
    58
    65
    87
    109
    130
    145
    155
    170
    185
    206
    230
    250
    SB
    205
    205
    225
    247
    284
    302
    352
    370
    390
    403
    445
    497
    535
    606
    SD
    -
    230
    252
    278
    322
    342
    396
    416
    438
    454
    -
    -
    -
    -
    UB
    63
    69
    85
    98
    118
    150
    175
    195
    210
    225
    243
    272
    310
    335
    ZB
    B型
    241
    246
    270
    303
    349
    385
    455
    490
    510
    538
    595
    644
    705
    786
    C型
    -
    241
    265
    293
    334
    370
    435
    460
    480
    -
    -
    -
    -
    -
    缓动行程
    -
    20
    25
    30
    35
    [NextPage]
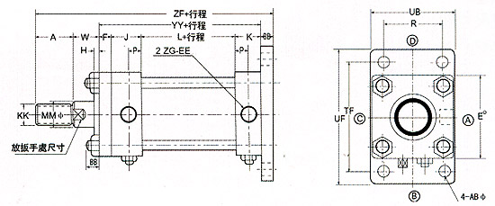
    ▲外型尺寸图 7MPa:
     
    FA型与FA型的异同点:
    安装型式
    工作压力
    尺寸代号
    备注
    FA
    7
    F
    Y
    ZA
    其它尺寸相同
    FY
    14
    FF
    YY
    AF
     
    ▲双活塞杆型(φ40-φ160)φ40-C除外:
     
     

    ▲单位:mm:

    代号│内径
    30
    40
    50
    63
    80
    100
    125
    140
    150
    160
    180
    200
    224
    250
    共通
    活塞杆径
    B型
    A
    25
    30
    35
    45
    60
    75
    95
    110
    115
    120
    140
    150
    180
    195
    D
    36
    40
    46
    55
    65
    80
    95
    105
    110
    115
    125
    140
    150
    170
    H
    10
    10
    10
    10
    10
    10
    10
    10
    10
    10
    10
    10
    10
    10
    KK
    M16×1.5
    M20×1.5
    M24×1.5
    M30×1.5
    M39×1.5
    M48×1.5
    M64×2
    M72×2
    M76×2
    M80×2
    M95×2
    M100×2
    M120×2
    M130×2
    MM
    18
    22.4
    28
    35.5
    45
    56
    71
    80
    85
    90
    100
    112
    125
    140
    C型
    A
    -
    25
    30
    35
    45
    60
    75
    80
    85
    -
    -
    -
    -
    -
    D
    -
    36
    40
    46
    55
    65
    80
    85
    90
    -
    -
    -
    -
    -
    H
    -
    10
    10
    10
    10
    10
    10
    10
    10
    -
    -
    -
    -
    -
    KK
    -
    M16×1.5
    M20×1.5
    M24×1.5
    M30×1.5
    M39×1.5
    M48×1.5
    M56×2
    M60×2
    -
    -
    -
    -
    -
    MM
    -
    18
    22.4
    28
    35.5
    45
    56
    63
    67
    -
    -
    -
    -
    -
    BB
    10
    11
    11
    13
    16
    18
    21
    22
    25
    25
    27
    29
    34
    37
    E
    55
    65
    75
    90
    110
    135
    165
    185
    196
    210
    235
    262
    292
    325
    EE(ZG)
    3/8
    3/8
    1/2
    1/2
    3/4
    3/4
    1
    1
    1
    1
    1 1/4
    1 1/2
    1 1/2
    2
    F
    11
    11
    13
    15
    18
    20
    24
    26
    28
    31
    33
    37
    41
    46
    J
    42
    42
    46
    48
    58
    58
    68
    68
    68
    69
    85
    95
    95
    115
    K
    28
    28
    32
    32
    38
    38
    48
    48
    48
    49
    71
    79
    79
    95
    L
    60
    60
    64
    68
    70
    76
    80
    88
    96
    104
    86
    90
    90
    90
    P
    15
    15
    17
    17
    20
    20
    25
    25
    25
    26
    43
    47
    47
    55
    W
    30
    30
    30
    35
    35
    40
    45
    50
    50
    55
    55
    55
    60
    65
    Y
    141
    141
    155
    163
    184
    192
    220
    230
    240
    253
    275
    301
    305
    346
    放扳手处尺寸(B型)
    14
    19
    24
    30
    41
    50
    65
    75
    80
    85
    95
    105
    115
    130
    FA型
    AB
    11
    11
    14
    18
    18
    22
    26
    26
    30
    33
    33
    36
    42
    45
    R
    40
    46
    58
    65
    87
    109
    130
    145
    155
    170
    185
    206
    230
    250
    TF
    88
    95
    115
    115
    155
    190
    224
    250
    270
    285
    315
    355
    395
    425
    UB
    63
    69
    85
    85
    118
    150
    175
    195
    210
    225
    243
    272
    310
    355
    UF
    109
    118
    145
    165
    190
    230
    272
    300
    320
    345
    375
    425
    475
    515
    YA
    -
    166
    182
    194
    222
    232
    264
    276
    288
    304
    -
    -
    -
    -
    ZA
    B型
    206
    212
    231
    256
    295
    325
    381
    412
    430
    453
    497
    535
    579
    653
    C型
    -
    207
    226
    240
    280
    310
    361
    382
    400
    -
    -
    -
    -
    -
    缓动行程
    -
    20
    25
    30
    35
    [NextPage]
     
    ▲外型尺寸图 7.14MPa:
     
     
    ▲单位:mm:
    代号│内径
    30
    40
    50
    63
    80
    100
    125
    140
    150
    160
    180
    200
    224
    250
    共通
    活塞杆径
    B型
    A
    25
    30
    35
    45
    60
    75
    95
    110
    115
    120
    140
    150
    180
    195
    D
    36
    40
    46
    55
    65
    80
    95
    105
    110
    115
    125
    140
    150
    170
    H
    10
    10
    10
    10
    10
    10
    10
    10
    10
    10
    10
    10
    10
    10
    KK
    M16×1.5
    M20×1.5
    M24×1.5
    M30×1.5
    M39×1.5
    M48×1.5
    M64×2
    M72×2
    M76×2
    M80×2
    M95×2
    M100×2
    M120×2
    M130×2
    MM
    18
    22.4
    28
    35.5
    45
    56
    71
    80
    85
    90
    100
    112
    125
    140
    C型
    A
    -
    25
    30
    35
    45
    60
    75
    80
    85
    -
    -
    -
    -
    -
    D
    -
    36
    40
    46
    55
    65
    80
    85
    90
    -
    -
    -
    -
    -
    H
    -
    10
    10
    10
    10
    10
    10
    10
    10
    -
    -
    -
    -
    -
    KK
    -
    M16×1.5
    M20×1.5
    M24×1.5
    M30×1.5
    M39×1.5
    M48×1.5
    M56×2
    M60×2
    -
    -
    -
    -
    -
    MM
    -
    18
    22.4
    28
    35.5
    45
    56
    63
    67
    -
    -
    -
    -
    -
    BB
    10
    11
    11
    13
    16
    18
    21
    22
    25
    25
    27
    29
    34
    37
    E
    55
    65
    75
    90
    110
    135
    165
    185
    196
    210
    235
    262
    292
    325
    EE(ZG)
    3/8
    3/8
    1/2
    1/2
    3/4
    3/4
    1
    1
    1
    1
    1 1/4
    1 1/2
    1 1/2
    2
    F
    11
    11
    13
    15
    18
    20
    24
    26
    28
    31
    33
    37
    41
    46
    J
    42
    42
    46
    48
    58
    58
    68
    68
    68
    69
    85
    95
    95
    115
    K
    28
    28
    32
    32
    38
    38
    48
    48
    48
    49
    71
    79
    79
    95
    L
    60
    60
    64
    68
    70
    76
    80
    88
    96
    104
    86
    90
    90
    90
    P
    15
    15
    17
    17
    20
    20
    25
    25
    25
    26
    43
    47
    47
    55
    W
    30
    30
    30
    35
    35
    40
    45
    50
    50
    55
    55
    55
    60
    65
    Y
    141
    141
    155
    163
    184
    192
    220
    230
    240
    253
    275
    301
    305
    346
    放扳手处尺寸(B型)
    14
    19
    24
    30
    41
    50
    65
    75
    80
    85
    95
    105
    115
    130
    CA型
    C
    12
    12
    14
    30
    41
    50
    65
    75
    80
    85
    95
    105
    115
    130
    CD
    16
    16
    20
    17
    20
    23
    27
    30
    32
    32
    35
    40
    44
    50
    FW

    ±0.15 35

    ±0.15 37.5
    ±0.15 45
    ±0.15 50
    ±0.15 60
    ±0.25 71
    ±0.25 85
    ±0.25 95
    ±0.25 106
    ±0.25 112
    ±0.25 125
    ±0.25 140
    ±0.25 150
    ±0.25 170
    LR
    20
    20
    25
    40
    40
    50
    63
    80
    80
    90
    100
    115
    125
    125
    MR
    16
    16
    20
    31.5
    31.5
    40
    50
    63
    63
    71
    80
    90
    100
    100
    N
    38
    38
    45
    63
    72
    84
    100
    120
    122
    137
    150
    170
    185
    185
    ZA
    B型
    250
    255
    285
    337.5
    382.5
    431
    510
    573
    590
    636
    700
    766
    830
    891
    C型
    -
    250
    280
    327.5
    367.5
    416
    490
    543
    560
    -
    -
    -
    -
    -
    缓动行程
    -
    20
    25
    30
    35
    [NextPage]
    ▲外型尺寸图 7MPa:
     
    安装型式
    工作压力MP
    尺寸代号
    备注
    FB
    7
    F
    Y
    ZC
    其它尺寸相同
    FZ
    14
    FF
    YY
    ZG
     
    ▲双活塞杆型(φ40-φ160)φ40-C除外:
     
    代号│内径
    30
    40
    50
    63
    80
    100
    125
    140
    150
    160
    180
    200
    224
    250
    共通
    活塞杆径
    B型
    A
    25
    30
    35
    45
    60
    75
    95
    110
    115
    120
    140
    150
    180
    195
    D
    36
    40
    46
    55
    65
    80
    95
    105
    110
    115
    125
    140
    150
    170
    H
    10
    10
    10
    10
    10
    10
    10
    10
    10
    10
    10
    10
    10
    10
    KK
    M16×1.5
    M20×1.5
    M24×1.5
    M30×1.5
    M39×1.5
    M48×1.5
    M64×2
    M72×2
    M76×2
    M80×2
    M95×2
    M100×2
    M120×2
    M130×2
    MM
    18
    22.4
    28
    35.5
    45
    56
    71
    80
    85
    90
    100
    112
    125
    140
    C型
    A
    -
    25
    30
    35
    45
    60
    75
    80
    85
    -
    -
    -
    -
    -
    D
    -
    36
    40
    46
    55
    65
    80
    85
    90
    -
    -
    -
    -
    -
    H
    -
    10
    10
    10
    10
    10
    10
    10
    10
    -
    -
    -
    -
    -
    KK
    -
    M16×1.5
    M20×1.5
    M24×1.5
    M30×1.5
    M39×1.5
    M48×1.5
    M56×2
    M60×2
    -
    -
    -
    -
    -
    MM
    -
    18
    22.4
    28
    35.5
    45
    56
    63
    67
    -
    -
    -
    -
    -
    BB
    10
    11
    11
    13
    16
    18
    21
    22
    25
    25
    27
    29
    34
    37
    E
    55
    65
    75
    90
    110
    135
    165
    185
    196
    210
    235
    262
    292
    325
    EE(ZG)
    3/8
    3/8
    1/2
    1/2
    3/4
    3/4
    1
    1
    1
    1
    1 1/4
    1 1/2
    1 1/2
    2
    F
    11
    11
    13
    15
    18
    20
    24
    26
    28
    31
    33
    37
    41
    46
    J
    42
    42
    46
    48
    58
    58
    68
    68
    68
    69
    85
    95
    95
    115
    K
    28
    28
    32
    32
    38
    38
    48
    48
    48
    49
    71
    79
    79
    95
    L
    60
    60
    64
    68
    70
    76
    80
    88
    96
    104
    86
    90
    90
    90
    P
    15
    15
    17
    17
    20
    20
    25
    25
    25
    26
    43
    47
    47
    55
    W
    30
    30
    30
    35
    35
    40
    45
    50
    50
    55
    55
    55
    60
    65
    Y
    141
    141
    155
    163
    184
    192
    220
    230
    240
    253
    275
    301
    305
    346
    放扳手处尺寸(B型)
    14
    19
    24
    30
    41
    50
    65
    75
    80
    85
    95
    105
    115
    130
    FB型
    AB
    11
    11
    14
    18
    18
    22
    26
    26
    30
    33
    33
    36
    42
    45
    R
    40
    46
    58
    65
    87
    109
    130
    145
    155
    170
    185
    206
    230
    250
    TF
    88
    95
    115
    115
    155
    190
    224
    250
    270
    285
    315
    355
    395
    425
    UB
    63
    69
    85
    85
    118
    150
    175
    195
    210
    225
    243
    272
    310
    355
    UF
    109
    118
    145
    145
    190
    230
    272
    300
    320
    345
    375
    425
    475
    515
    YA
    -
    166
    182
    194
    222
    232
    264
    276
    288
    304
    -
    -
    -
    -
    ZD
    B型
    207
    212
    233
    258
    297
    327
    384
    416
    433
    459
    503
    543
    586
    653
    C型
    -
    207
    228
    248
    282
    312
    364
    386
    403
    -
    -
    -
    -
    -
    缓动行程
    -
    20
    25
    30
    35
    [NextPage]
     
    ▲外型尺寸图 7.14MPa:
     
     
    ▲双活塞杆型(φ40-φ160)φ40-C除外:
     
     
    ▲单位:mm:
    代号│内径
    30
    40
    50
    63
    80
    100
    125
    140
    150
    160
    180
    200
    224
    250
    共通
    活塞杆径
    B型
    A
    25
    30
    35
    45
    60
    75
    95
    110
    115
    120
    140
    150
    180
    195
    D
    36
    40
    46
    55
    65
    80
    95
    105
    110
    115
    125
    140
    150
    170
    H
    10
    10
    10
    10
    10
    10
    10
    10
    10
    10
    10
    10
    10
    10
    KK
    M16×1.5
    M20×1.5
    M24×1.5
    M30×1.5
    M39×1.5
    M48×1.5
    M64×2
    M72×2
    M76×2
    M80×2
    M95×2
    M100×2
    M120×2
    M130×2
    MM
    18
    22.4
    28
    35.5
    45
    56
    71
    80
    85
    90
    100
    112
    125
    140
    C型
    A
    -
    25
    30
    35
    45
    60
    75
    80
    85
    -
    -
    -
    -
    -
    D
    -
    36
    40
    46
    55
    65
    80
    85
    90
    -
    -
    -
    -
    -
    H
    -
    10
    10
    10
    10
    10
    10
    10
    10
    -
    -
    -
    -
    -
    KK
    -
    M16×1.5
    M20×1.5
    M24×1.5
    M30×1.5
    M39×1.5
    M48×1.5
    M56×2
    M60×2
    -
    -
    -
    -
    -
    MM
    -
    18
    22.4
    28
    35.5
    45
    56
    63
    67
    -
    -
    -
    -
    -
    BB
    10
    11
    11
    13
    16
    18
    21
    22
    25
    25
    27
    29
    34
    37
    E
    55
    65
    75
    90
    110
    135
    165
    185
    196
    210
    235
    262
    292
    325
    EE(ZG)
    3/8
    3/8
    1/2
    1/2
    3/4
    3/4
    1
    1
    1
    1
    1 1/4
    1 1/2
    1 1/2
    2
    F
    11
    11
    13
    15
    18
    20
    24
    26
    28
    31
    33
    37
    41
    46
    J
    -
    42
    46
    48
    58
    58
    68
    68
    68
    69
    -
    -
    -
    -
    K
    28
    28
    32
    32
    38
    38
    48
    48
    48
    49
    71
    79
    79
    95
    L
    60
    60
    64
    68
    70
    76
    80
    88
    96
    104
    86
    90
    90
    90
    P
    15
    15
    17
    17
    20
    20
    25
    25
    25
    26
    43
    47
    47
    55
    W
    30
    30
    30
    35
    35
    40
    45
    50
    50
    55
    55
    55
    60
    65
    放扳手处尺寸(B型)
    14
    19
    24
    30
    41
    50
    65
    75
    80
    85
    95
    105
    115
    130
    TA型
    TC

    0
    58
    -0.3

    0
    69
    -0.3
    0
    85
    -0.35

    0
    58
    -0.3

    0
    58
    -0.3
    0
    58
    -0.3

    0
    58
    -0.3

    0
    58
    -0.3
    0
    58
    -0.3

    0
    58
    -0.3

    0
    58
    -0.3
    0
    58
    -0.3
    0
    58
    -0.3
    0
    58
    -0.3
    TD
    20
    20
    25
    31.5
    31.5
    40
    50
    63
    63
    71
    80
    90
    100
    100
    TL
    20
    20
    25
    31.5
    31.5
    40
    50
    63
    63
    71
    80
    90
    100
    100
    TR
    2
    2
    2.5
    2.5
    2.5
    3
    3
    4
    4
    4
    4
    5
    5
    5
    VA
    42
    42
    46
    48
    58
    58
    68
    68
    68
    79
    85
    95
    105
    115
    XH
    62
    62
    66
    74
    82
    89
    103
    112
    112
    126
    130.5
    139.5
    153.5
    168.5
    YB
    -
    166
    182
    194
    222
    232
    264
    276
    288
    314
    -
    -
    -
    -
    YT
    141
    141
    155
    163
    184
    192
    220
    230
    240
    263
    275
    301
    315
    346
    ZE
    B型
    206
    212
    231
    256
    295
    325
    381
    412
    430
    463
    497
    535
    589
    643
    C型
    -
    207
    226
    246
    280
    310
    361
    382
    400
    -
    -
    -
    -
    -
    缓动行程
    -
    20
    25
    30
    35
    [NextPage]
    ▲外型尺寸图 7MPa.14MPa:
     
     
    ▲双活塞杆型(φ40-φ160)φ40-C除外:
     
     
    ▲单位:mm:
    代号│内径
    30
    40
    50
    63
    80
    100
    125
    140
    150
    160
    180
    200
    224
    250
    共通
    活塞杆径
    B型
    A
    25
    30
    35
    45
    60
    75
    95
    110
    115
    120
    140
    150
    180
    195
    D
    36
    40
    46
    55
    65
    80
    95
    105
    110
    115
    125
    140
    150
    170
    H
    10
    10
    10
    10
    10
    10
    10
    10
    10
    10
    10
    10
    10
    10
    KK
    M16×1.5
    M20×1.5
    M24×1.5
    M30×1.5
    M39×1.5
    M48×1.5
    M64×2
    M72×2
    M76×2
    M80×2
    M95×2
    M100×2
    M120×2
    M130×2
    MM
    18
    22.4
    28
    35.5
    45
    56
    71
    80
    85
    90
    100
    112
    125
    140
    C型
    A
    -
    25
    30
    35
    45
    60
    75
    80
    85
    -
    -
    -
    -
    -
    D
    -
    36
    40
    46
    55
    65
    80
    85
    90
    -
    -
    -
    -
    -
    H
    -
    10
    10
    10
    10
    10
    10
    10
    10
    -
    -
    -
    -
    -
    KK
    -
    M16×1.5
    M20×1.5
    M24×1.5
    M30×1.5
    M39×1.5
    M48×1.5
    M56×2
    M60×2
    -
    -
    -
    -
    -
    MM
    -
    18
    22.4
    28
    35.5
    45
    56
    63
    67
    -
    -
    -
    -
    -
    BB
    10
    11
    11
    13
    16
    18
    21
    22
    25
    25
    27
    29
    34
    37
    E
    55
    65
    75
    90
    110
    135
    165
    185
    196
    210
    235
    262
    292
    325
    EE(ZG)
    3/8
    3/8
    1/2
    1/2
    3/4
    3/4
    1
    1
    1
    1
    1 1/4
    1 1/2
    1 1/2
    2
    F
    11
    11
    13
    15
    18
    20
    24
    26
    28
    31
    33
    37
    41
    46
    J
    -
    42
    46
    48
    58
    58
    68
    68
    68
    69
    -
    -
    -
    -
    K
    28
    28
    32
    32
    38
    38
    48
    48
    48
    49
    71
    79
    79
    95
    L
    60
    60
    64
    68
    70
    76
    80
    88
    96
    104
    86
    90
    90
    90
    P
    15
    15
    17
    17
    20
    20
    25
    25
    25
    26
    43
    47
    47
    55
    W
    30
    30
    30
    35
    35
    40
    45
    50
    50
    55
    55
    55
    60
    65
    放扳手处尺寸(B型)
    14
    19
    24
    30
    41
    50
    65
    75
    80
    85
    95
    105
    115
    130
    TC型
    TC

    0
    58
    -0.3

    0
    69
    -0.3
    0
    85
    -0.35

    0
    58
    -0.3

    0
    58
    -0.3
    0
    58
    -0.3

    0
    58
    -0.3

    0
    58
    -0.3
    0
    58
    -0.3

    0
    58
    -0.3

    0
    58
    -0.3
    0
    58
    -0.3
    0
    58
    -0.3
    0
    58
    -0.3
    TD
    20
    20
    25
    31.5
    31.5
    40
    50
    63
    63
    71
    80
    90
    100
    100
    TL
    20
    20
    25
    31.5
    31.5
    40
    50
    63
    63
    71
    80
    90
    100
    100
    TR
    2
    2
    2.5
    2.5
    2.5
    3
    3
    4
    4
    4
    4
    5
    5
    5
    VC
    28
    28
    33
    43
    43
    53
    58
    78
    78
    88
    98
    108
    117
    117
    XG
    113
    113
    121
    132
    146
    156
    177
    188
    194
    207
    216
    232
    241
    271
    YA
    -
    166
    182
    194
    222
    232
    264
    276
    288
    304
    -
    -
    -
    -
    ZA
    B型
    206
    212
    231
    256
    295
    325
    381
    412
    430
    463
    497
    535
    589
    643
    C型
    -
    207
    226
    246
    280
    310
    361
    382
    400
    -
    -
    -
    -
    -
    缓动行程
    -
    20
    25
    30
    35
    [NextPage]
    ▲外型尺寸图 7.14MPa:
     
    FY型与FA型的异同点:
    安装型式
    工作压力MP
    尺寸代号
    备注
    FY
    140
    FF
    YY
    ZF
    其它尺寸相同
    FA
    70
    F
    Y
    ZA
     
    ▲双活塞杆型(φ40-φ160)φ40-C除外:
     
     
    ▲双活塞杆型(φ40-φ160)φ40-C除外:
    代号│内径
    30
    40
    50
    63
    80
    100
    125
    140
    150
    160
    180
    200
    224
    250
    共通
    活塞杆径
    B型
    A
    25
    30
    35
    45
    60
    75
    95
    110
    115
    120
    140
    150
    180
    195
    D
    36
    40
    46
    55
    65
    80
    95
    105
    110
    115
    125
    140
    150
    170
    H
    10
    10
    10
    10
    10
    10
    10
    10
    10
    10
    10
    10
    10
    10
    KK
    M16×1.5
    M20×1.5
    M24×1.5
    M30×1.5
    M39×1.5
    M48×1.5
    M64×2
    M72×2
    M76×2
    M80×2
    M95×2
    M100×2
    M120×2
    M130×2
    MM
    18
    22.4
    28
    35.5
    45
    56
    71
    80
    85
    90
    100
    112
    125
    140
    C型
    A
    -
    25
    30
    35
    45
    60
    75
    80
    85
    -
    -
    -
    -
    -
    D
    -
    36
    40
    46
    55
    65
    80
    85
    90
    -
    -
    -
    -
    -
    H
    -
    10
    10
    10
    10
    10
    10
    10
    10
    -
    -
    -
    -
    -
    KK
    -
    M16×1.5
    M20×1.5
    M24×1.5
    M30×1.5
    M39×1.5
    M48×1.5
    M56×2
    M60×2
    -
    -
    -
    -
    -
    MM
    -
    18
    22.4
    28
    35.5
    45
    56
    63
    67
    -
    -
    -
    -
    -
    BB
    10
    11
    11
    13
    16
    18
    21
    22
    25
    25
    27
    29
    34
    37
    E
    55
    65
    75
    90
    110
    135
    165
    185
    196
    210
    235
    262
    292
    325
    EE(ZG)
    3/8
    3/8
    1/2
    1/2
    3/4
    3/4
    1
    1
    1
    1
    1 1/4
    1 1/2
    1 1/2
    2
    F
    11
    11
    13
    15
    18
    20
    24
    26
    28
    31
    33
    37
    41
    46
    J
    42
    42
    46
    48
    58
    58
    68
    68
    68
    69
    85
    95
    95
    115
    K
    28
    28
    32
    32
    38
    38
    48
    48
    48
    49
    71
    79
    79
    95
    L
    60
    60
    64
    68
    70
    76
    80
    88
    96
    104
    86
    90
    90
    90
    P
    15
    15
    17
    17
    20
    20
    25
    25
    25
    26
    43
    47
    47
    55
    W
    30
    30
    30
    35
    35
    40
    45
    50
    50
    55
    55
    55
    60
    65
    放扳手处尺寸(B型)
    14
    19
    24
    30
    41
    50
    65
    75
    80
    85
    95
    105
    115
    130
    FY型
    AB
    11
    11
    14
    18
    18
    22
    26
    26
    30
    33
    33
    36
    42
    45
    FF
    13
    13
    18
    20
    24
    28
    33
    37
    39
    41
    46
    51
    58
    65
    R
    40
    46
    58
    65
    87
    109
    130
    145
    155
    170
    185
    206
    230
    250
    TF
    88
    95
    115
    132
    155
    190
    224
    250
    270
    285
    315
    355
    395
    425
    UB
    63
    69
    85
    98
    118
    150
    175
    195
    210
    225
    243
    272
    310
    335
    UF
    109
    118
    145
    165
    190
    230
    272
    300
    320
    345
    375
    425
    475
    515
    YC
    -
    168
    187
    199
    228
    240
    273
    287
    299
    314
    -
    -
    -
    -
    YY
    143
    143
    160
    168
    190
    200
    229
    241
    251
    263
    288
    315
    322
    365
    ZF
    B型
    208
    214
    236
    261
    301
    333
    390
    423
    440
    463
    510
    549
    596
    662
    C型
    -
    209
    231
    251
    286
    318
    370
    393
    411
    -
    -
    -
    -
    -
    缓动行程
    -
    20
    25
    30
    35
    [NextPage]
    ▲外型尺寸图 7.14MPa:
     
    FZ型与FB型的异同点:
    安装型式
    工作压力MP
    尺寸代号
    备注
    FB
    7
    F
    ZC
    其它尺寸相同
    FZ
    14
    FF
    ZG
     
    ▲双活塞杆型(φ40-φ160)φ40-C除外:
     
    代号│内径
    30
    40
    50
    63
    80
    100
    125
    140
    150
    160
    180
    200
    224
    250
    共通
    活塞杆径
    B型
    A
    25
    30
    35
    45
    60
    75
    95
    110
    115
    120
    140
    150
    180
    195
    D
    36
    40
    46
    55
    65
    80
    95
    105
    110
    115
    125
    140
    150
    170
    H
    10
    10
    10
    10
    10
    10
    10
    10
    10
    10
    10
    10
    10
    10
    KK
    M16×1.5
    M20×1.5
    M24×1.5
    M30×1.5
    M39×1.5
    M48×1.5
    M64×2
    M72×2
    M76×2
    M80×2
    M95×2
    M100×2
    M120×2
    M130×2
    MM
    18
    22.4
    28
    35.5
    45
    56
    71
    80
    85
    90
    100
    112
    125
    140
    C型
    A
    -
    25
    30
    35
    45
    60
    75
    80
    85
    -
    -
    -
    -
    -
    D
    -
    36
    40
    46
    55
    65
    80
    85
    90
    -
    -
    -
    -
    -
    H
    -
    10
    10
    10
    10
    10
    10
    10
    10
    -
    -
    -
    -
    -
    KK
    -
    M16×1.5
    M20×1.5
    M24×1.5
    M30×1.5
    M39×1.5
    M48×1.5
    M56×2
    M60×2
    -
    -
    -
    -
    -
    MM
    -
    18
    22.4
    28
    35.5
    45
    56
    63
    67
    -
    -
    -
    -
    -
    BB
    10
    11
    11
    13
    16
    18
    21
    22
    25
    25
    27
    29
    34
    37
    E
    55
    65
    75
    90
    110
    135
    165
    185
    196
    210
    235
    262
    292
    325
    EE(ZG)
    3/8
    3/8
    1/2
    1/2
    3/4
    3/4
    1
    1
    1
    1
    1 1/4
    1 1/2
    1 1/2
    2
    F
    11
    11
    13
    15
    18
    20
    24
    26
    28
    31
    33
    37
    41
    46
    J
    42
    42
    46
    48
    58
    58
    68
    68
    68
    69
    85
    95
    95
    115
    K
    28
    28
    32
    32
    38
    38
    48
    48
    48
    49
    71
    79
    79
    95
    L
    60
    60
    64
    68
    70
    76
    80
    88
    96
    104
    86
    90
    90
    90
    P
    15
    15
    17
    17
    20
    20
    25
    25
    25
    26
    43
    47
    47
    55
    W
    30
    30
    30
    35
    35
    40
    45
    50
    50
    55
    55
    55
    60
    65
    放扳手处尺寸(B型)
    14
    19
    24
    30
    41
    50
    65
    75
    80
    85
    95
    105
    115
    130
    FZ型
    AB
    11
    11
    14
    18
    18
    22
    26
    26
    30
    33
    33
    36
    42
    45
    FF
    13
    13
    18
    20
    24
    28
    33
    37
    39
    41
    46
    51
    58
    65
    R
    40
    46
    58
    65
    87
    109
    130
    145
    155
    170
    185
    206
    230
    250
    RF
    88
    95
    115
    132
    155
    190
    224
    250
    270
    285
    315
    355
    395
    425
    UB
    63
    69
    85
    98
    118
    150
    175
    195
    210
    225
    243
    272
    310
    335
    UF
    109
    118
    145
    165
    190
    230
    272
    300
    320
    345
    375
    425
    475
    515
    YC
    -
    168
    187
    199
    228
    240
    273
    287
    299
    314
    -
    -
    -
    -
    ZG
    B型
    209
    214
    238
    263
    303
    335
    393
    427
    444
    469
    516
    557
    603
    671
    C型
    -
    209
    233
    253
    288
    320
    373
    397
    414
    -
    -
    -
    -
    -
    缓动行程
    -
    20
    25
    30
    35
    [NextPage]
    ▲防尘罩尺寸图及尺寸表:
     
    材质
    耐热
    尼龙防水帆布
    80℃
    氯丁橡胶
    130℃

    代号│内径
    30
    40
    50
    63
    80
    100
    125
    140
    150
    160
    180
    200
    224
    250
    WW
    活塞杆径
    B
    50
    50
    60
    70
    80
    100
    120
    125
    140
    140
    160
    180
    190
    200
    C
    -
    50
    50
    60
    70
    80
    100
    120
    120
    -
    -
    -
    -
    -
    W2
    20
    20
    20
    30
    30
    30
    40
    40
    40
    40
    40
    40
    50
    50
    X
    45
    45
    45
    55
    55
    55
    65
    65
    65
    65
    65
    65
    80
    80
     
    ▲密封种类一览表:
    品番
    1
    2
    3
    4
    5
    6
    7
    油缸内径
    防尘密封环
    SDR
    内径*外径*高度
    (个数1)
    防尘密封环
    SKY
    内径*外径*高度
    (个数1)
    缸盖
    用○型圈
    (个数2)
    缸盖
    用○型圈
    (个数2)
    缸盖
    用○型圈
    (个数1)
    活塞密封环
    SKY
    内径*外径*高度
    (个数2)
    孔用
    ○型圈
    (个数1)
    30
    B
    18*26*4.5*6
    18×26×5
    G-30
    G-25
    P-14
    22.4×30×5
    ---
    ---
    ---
    ---
    ---
    ---
    ---
    ---
    40
    B
    22.4*30*4.5*6
    22.4×30×5
    G-30
    G-35
    P-15
    30×40×6
    ---
    C
    18*26*4.5*6
    18×26×5
    "
    "
    "
    "
    ---
    50
    B
    28*36*4.5*6
    28×35.5×5
    G-35
    G-45
    P-20
    40×50×6
    ---
    C
    22.4*30.4*4.5*6
    22.4×30×5
    "
    "
    "
    "
    ---
    63
    B
    35.5*43.5*5*6.5
    35.5×45×6
    G-45
    G-58
    G-25
    53×63×6
    ---
    C
    28*36*4.5*6
    28×35.5×5
    "
    "
    "
    "
    G-35
    80
    B
    45*53*5*6.5
    45×55×6
    G-55
    G-75
    P-32
    71×80×6
    ---
    C
    35.5*43.5*5*6.5
    35.5×45×6
    "
    "
    "
    "
    G-45
    100
    B
    56*64**56.5
    56×66×6
    G-65
    G-95
    G-35
    85×100×9
    ---
    C
    45*53*5*6.5
    45×55×6
    "
    "
    "
    "
    G-55
    125
    B
    71*81*6*8
    71×80×6
    G-80
    G-120
    G-45
    112×125×8.5
    ---
    C
    56*64*5*6.5
    56×66×6
    "
    "
    "
    "
    G-65
    140
    B
    80*90*6*8
    80×90×6
    G-90
    G-135
    G-50
    125×140×9
    ---
    C
    63*71*5*6.5
    63×73×6
    "
    "
    "
    "
    G-75
    150
    B
    85*95*6*8
    85×100×9
    G-95
    G-145
    G-55
    136×150×8.5
    ---
    C
    67*75*5*6.5
    67×77×6
    "
    "
    "
    "
    G-80
    160
    B
    90*100*6*8
    90×105×9
    G-105
    G-150
    G-60
    145×160×9
    ---
    ---
    ---
    ---
    ---
    ---
    ---
    ---
    180
    B
    100*110*6*8
    100×115×9
    G-115
    G-170
    G-70
    165×180×9
    ---
    ---
    ---
    ---
    ---
    ---
    ---
    ---
    200
    B
    112*122*6*8
    112×125×8.5
    G-125
    G-190
    G-80
    180×200×12
    ---
    ---
    ---
    ---
    ---
    ---
    ---
    ---
    224
    B
    125*138*7*9.5
    125×140×9
    G-140
    G-214
    G-90
    204×224×12
    ---
    ---
    ---
    ---
    ---
    ---
    ---
    ---
    250
    B
    140*153*7*9.5
    1401559
    G-155
    G-240
    G-100
    230×250×12
    ---
    ---
    ---
    ---
    ---
    ---
    ---
    ---